
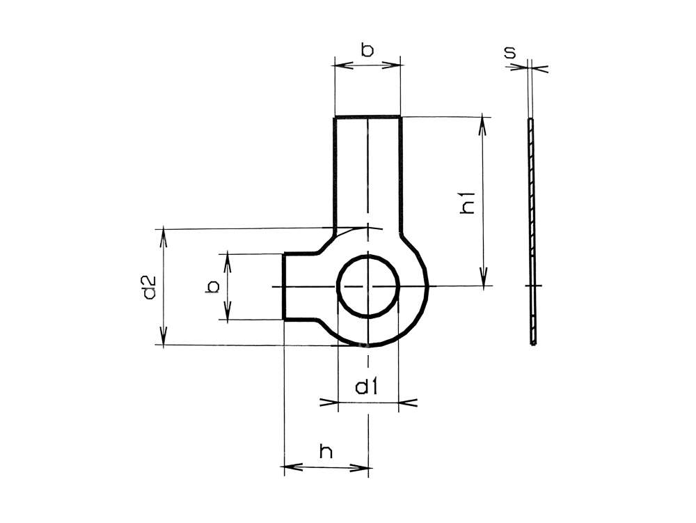
Tôle de sécurité galvanisée avec 2 languettes pour le blocage des vis et des écrous.
Reprendre les dimensions suivantes sur la figure 2:
| Matériau | Acier |
| Surface | galvanisé bleu |
| Ø intérieur | 6.4 mm |
| Taille du filetage | M6 |
| Ø extérieur | 12.5 mm |
| Longueur totale | 9 mm |
| Largeur | 7 mm |
| Nombre de lobes | 2 pcs |
| Épaisseur | 0.5 mm |
| Longueur 2 | 18 mm |
| Largeur 2 | 7 mm |
Les fans de mobylette aussi acheté
GPO 15 mm Carburateur Tuning | Puch
Diamètre nominal: 15 mm · Fabricant: GPO · Matériau: Aluminium · Camouflé: Non · Groupe de composants carburateur: Carburateur complet · Type de carburateur: SRE · Commande de starter: Handchoke · Largeur: 50 mm · Longueur totale: 66 mm · Type de fixation: Connexion enfichable serrée · Filetage de la buse: M3.5x0.6 (filetage standard) · Ø du raccord du tuyau d'essence: 6 mm · Taille de la buse: 62 · Ø entrée intérieure: 15 mm · Ø sortie intérieur: 15 mm · Ø raccordement filtre à air: 20 mm · Hauteur: 95 mm · Ø raccordement intérieur: 20 mm · Raccord d'huile mélangée: Non · Raccord de dépression: Non · Porte-buse: 2.17 · Couple de serrage max. de la vis de serrage: 4 N/m · Champ d'application: Tuning
CHF 64.90
swiing® ingenious Ressorts d'embrayage renforcés (+20%) | Puch E50
Matériau: Acier à ressort · Type de ressort: Ressort de pression · Surface: revêtu · Fabricant: swiing® pièces ingénieuses · Longueur totale: 28 mm · Couleur: bleu · Ø du fil: 1.7 mm · Ø intérieur: 4.8 mm · Ø extérieur: 8.3 mm · Nombre de composants: 3 pcs · Champ d'application: Tuning
CHF 17.90
swiing® revival goujon entrée/sortie M6 x 30 mm (10.9 résistance)
Fabricant: swiing® revival parts · Matériau: Acier · Type de filetage: M6x1 (filetage standard) · Surface: galvanisé bleu · Diamètre: 5.95 mm · Longueur totale: 30 mm · Longueur du filetage: 12 mm · Classe de résistance: 10.9
CHF 1.80




