
Rondella di sicurezza zincata con 1 linguetta per il fissaggio di dadi e bulloni.
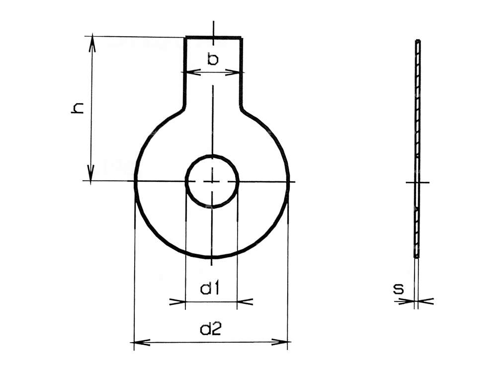
Prendere le seguenti misure dalla Figura 2:
| Ø interno | 8.4 mm |
| Ø esterno | 22 mm |
| Larghezza | 8 mm |
| Materiale | Acciaio |
| Superficie | zincato (blu) |
| Lunghezza totale | 20 mm |
| Numero di lobi | 1 Stk |
| Spessore | 0.75 mm |
| Dimensione della filettatura | M8 |
Gli appassionati di ciclomotori hanno anche acquistato
Rubinetto benzina orizzontale M12x1 (con dado per raccordo) in uscita dal basso
Produttore: OPG · Possibili posizioni della leva: aperto / chiuso / riserva · Leva materiale: Metallo · Tipo di filtro: Rete di plastica · Direzione di installazione: orizzontale / orizzontale · Tipo di filettatura: MF12x1 (filettatura a passo fine) · Direzione di uscita: sotto · Tipo di montaggio: Dado di raccordo · Stampo per tubi di ricambio: curvo · Ø attacco tubo benzina: 6 mm · Livello di riserva: 70 mm
CHF 9.90
Non disponibile
Cavo interno Ø 1,2 mm x 200 cm con nipplo a barile Ø 6 mm
Ø nipplo: 6 mm · Lunghezza del capezzolo: 5.5 mm · Produttore: Prodotto in Germania · Materiale: Acciaio · Area di applicazione: Standard · Materiale: ottone · Superficie: zincato (blu) · Ø Filo a trefoli: 1.2 mm · Forma del capezzolo: Canna (trasversale) · Lunghezza del cavo: 2000 mm · Numero di componenti: 1 Stk
CHF 3.40
Ponti di serraggio alluminio | Puch
Materiale: Alluminio · Superficie: grezzo · Colore: argento · Diametro di serraggio: 22 mm · Lunghezza totale: 48.9 mm · Larghezza: 21.5 mm · Altezza: 24.6 mm · Numero di punti di fissaggio: 2 Stk · Ø foro di montaggio: 8 mm · Spaziatura tra i fori: 30 mm
CHF 15.90
Cavo gas Ø 1,2 mm x 165 cm (nipplo a sfera) Dell'Orto
Ø nipplo: 3.5 mm · Produttore: Prodotto in Germania · Materiale: Acciaio · Superficie: zincato (blu) · Numero di componenti: 1 Stk · Ø Filo a trefoli: 1.2 mm · Lunghezza del cavo: 1650 mm · Forma del capezzolo: Palla · Area di applicazione: Standard
CHF 2.40




