
Rondella di sicurezza zincata con 2 linguette per il fissaggio di dadi e bulloni.
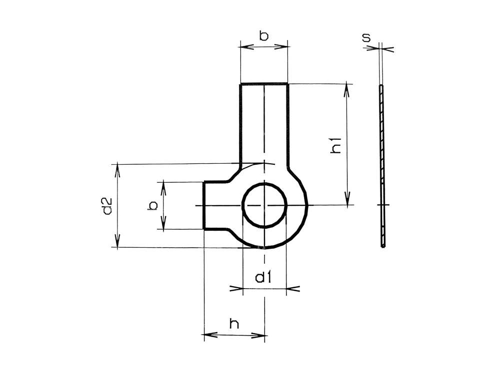
Prendere le seguenti misure dalla Figura 2:
| Ø interno | 10.5 mm |
| Spessore | 0.75 mm |
| Materiale | Acciaio |
| Superficie | zincato (blu) |
| Numero di lobi | 2 Stk |
| Ø esterno | 21 mm |
| Dimensione della filettatura | M10 |
| Lunghezza totale | 13 mm |
| Lunghezza 2 | 22 mm |
| Larghezza | 10 mm |
| Larghezza 2 | 10 mm |
Gli appassionati di ciclomotori hanno anche acquistato
Connettore per candela BERU / Soppressione delle interferenze da 1 kΩ
Produttore: BERU · Materiale: Lamiera (acciaio) · Colore: argento · Presa per candela: M4 · Cavo disponibile: No · Soppresso: Sì · Resistenza: 1000 Ω · Sottocategoria: Connettore della candela · Ø cavo: 5 mm · Ø cavo: 7 mm · Numero OEM Pony: A2099 · Sachs OEM no.: 0265 100 00
CHF 8.80
Motorex Olio motore automatico (ATF) 450 ml
Produttore: Motorex · Area di applicazione: Lubrificazione del cambio con frizione · Contenuti: 450 ml · Tipo di cambio: Macchina automatica · Resistenza alla temperatura (min.): -45 - 200 °C · Numero OEM Pony: A2080 · Sachs OEM no.: 0263 014 002
CHF 10.90
CHF 24.22/l
guarnizione coperchio cambio swiing® revival | Sachs 503 AAL, ABL, AB, AC, ADV, 2AL, 2BL (A1888)
Spessore: 0.35 mm · Produttore: parti di rilancio swiing® · Numero di punti di fissaggio: 6 Stk · Materiale: Carta per sigilli · Colore: color sabbia · Larghezza: 130 mm · Lunghezza totale: 200 mm · Numero di componenti: 1 Stk · Numero OEM Pony: A1888 · Sachs OEM no.: 0250 150 000
CHF 5.40
swiing® montaggio pignone revival M12x1 (dado e rondella elastica) | Sachs / Hercules
Produttore: parti di rilancio swiing® · Materiale: Acciaio · Superficie: brunito · Superficie: zincato (blu) · Tipo di dado: Dado esagonale 0,5D · Guida: Esagono esterno · Altezza: 5 mm · Tipo di filettatura: MF12x1 (filettatura a passo fine) · Classe di forza: 8 · Numero OEM Pony: A1720 · Numero OEM Pony: A4249 · Sachs OEM no.: 0242 124 000 · Sachs OEM no.: 0244 189 110
CHF 3.90




