
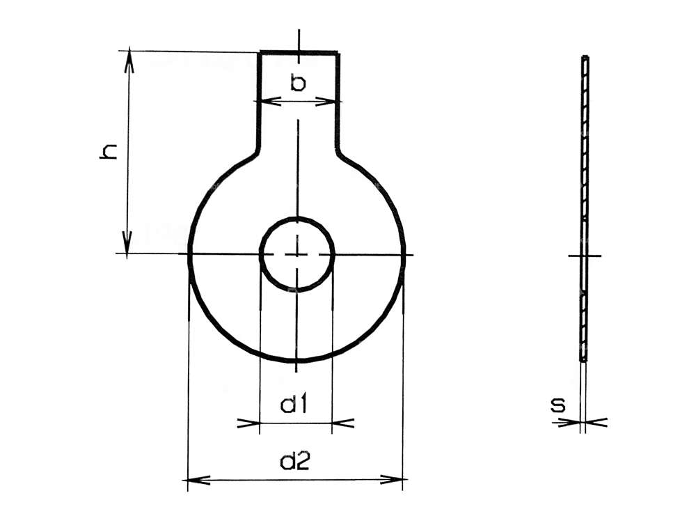
Verzinktes Sicherungsblech mit 1 Lappen zur Sicherung von Schrauben und Muttern.
Entnehme die folgenden Masse auf Abbildung 2:
| Ø innen | 6.4 mm |
| Ø aussen | 19 mm |
| Gesamtlänge | 18 mm |
| Material | Stahl |
| Oberfläche | verzinkt (blau) |
| Gewindegrösse | M6 |
| Dicke | 0.5 mm |
| Breite | 7 mm |
| Anzahl Lappen | 1 Stk. |
Entdecke Kategorien aus Schrauben & Verbindungselemente Sets
Mofa-Fans kauften auch
GPO 15 mm Vergaser Tuning | Puch
Gesamtlänge: 66 mm · Hersteller: GPO · Material: Aluminium · Bauteilgruppe Vergaser: Vergaser komplett · Vergasertyp: SRE · Nenndurchmesser: 15 mm · Chokebetätigung: Handchoke · Breite: 50 mm · Höhe: 95 mm · Getarnt: Nein · Ø Anschluss innen: 20 mm · Ø Eingang innen: 15 mm · Ø Ausgang innen: 15 mm · Ø Anschluss Luftfilter: 20 mm · Anwendungsbereich: Tuning · Ø Benzinschlauchanschluss: 6 mm · Mischölanschluss: Nein · Unterdruckanschluss: Nein · Düsengewinde: M3.5x0.6 (Standardgewinde) · Düsenstock: 2.17 · Düsengrösse: 62 · Befestigungsart: Steckverbindung geklemmt · Drehmoment Klemmschraube (max.): 4 Nm
CHF 64.90
swiing® ingenious Kupplungsfedern verstärkt (+20%) | Puch E50
Federbauart: Druckfeder · Ø Draht: 1.7 mm · Ø innen: 4.8 mm · Ø aussen: 8.3 mm · Gesamtlänge: 28 mm · Hersteller: swiing® ingenious parts · Material: Federstahl · Oberfläche: beschichtet · Farbe: blau · Anzahl Bestandteile: 3 Stk. · Anwendungsbereich: Tuning
CHF 17.90



